Skip to content
Cabinet Joint
M–F, 9am to 5pm EST 888-211-6482
Request a Quote
Menu Request a Quote
  • Design
    • Design Services
    • Design Idea Gallery
  • Browse Products
    • RTA Cabinets:
      • Overview
      • WALL CABINETS
      • BASE CABINETS
      • TALL CABINETS
      • BATH & VANITY CABINETS
      • HOME OFFICE & MEDIA CABINETS
      • CABINET ACCESSORIES
      • CABINET OPTIONS
      • NEW: Frameless Cabinets
    • Cabinet Doors:
      • Overview
      • DOOR STYLES
      • DOOR PROFILE OPTIONS
      • DOOR DESIGN OPTIONS
      • BUY CABINET DOORS ONLY
      • Request a Sample
    • Accessories:
      • Overview
      • CABINET STORAGE ITEMS
      • DECORATIVE ITEMS
      • VENEER. PLYWOOD & REFACING MATERIALS
      • Shop For Tools & Supplies
      • Get an Accessory Quote
    • Woods & Finishes
      • Overview
      • WOOD & FINISH GALLERIES
      • Important Information About Paint Finishes
      • Important Information about Veneer Vs Solid Wood
      • Request a Sample
  • Plan
    • Budget
      • Get Started On Your Project Quote!
      • Example Pricing
    • Resources:
      • Catalogs & Downloads
      • Important Information about Veneer Vs Solid Wood
      • Important Information About Paint Finishes
    • How To:
      • Assembly Information
      • Refacing Tips
      • Measuring for Your New Cabinet Doors
      • Measurement & Sketch Guide
      • How to Sign for and Receive Delivery
    • Read:
      • Cabinet Specifications
      • Inset Cabinetry
      • Helpful Articles
  • Request
    • Request Order Replacements
    • Request a Cabinet Quote
    • Request a Door & Accessory Quote
    • Request a Sample Color Block or Door
    • Request a Showroom Appointment
  • Watch
  • About
    • About Us
    • Testimonials
    • Join Our Team
    • Contact Us
  • Lead Times
  • Assembly Services
  • NEW: Frameless!
  • Home
  • >
  • Accessories & Refacing Materials
  • >
  • Decorative Elements
  • >
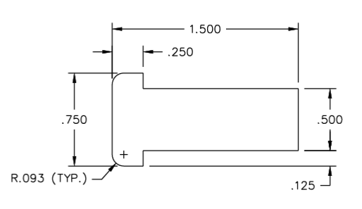
  • Parting 2848

Parting 2848

  • “Just a follow up to let you know how much we like these cabinets. Everyone that sees them loves them. They still look great in our beach condo. Going on two years pretty soon.” — Joe H., Florida
  • Recent Articles

    • Meet the 2025 Kitchen of the Year Finalists
    • Christine's Complete Kitchen RenovationFor Everything Home Holds: Christine’s Complete Kitchen Renovation
  • Questions?

    Call us at 888-211-6482
    or email sales@cabinetjoint.com

Products

  • RTA Cabinets
  • Door Styles
  • Buy Doors Only
  • Accessories
  • Tools & Supplies

Information

  • Cabinet Pricing
  • FAQ
  • Warranty
  • Customer Service / Support Request
  • Shipping
  • Lead Times
  • Environmental Commitment
  • Social Media Code of Ethics
  • Join Our Team

Resources

  • News & New Products
  • Request a Sample
  • Catalogs & Downloads
  • Cabinet Specifications
  • Assembly Information
  • Project Planning Tips
  • Installation Tips
  • Refacing Tips
  • How to Sign for and Receive Delivery

Contact Us

Cabinet Joint
Phone: 888-211-6482
Email: sales@cabinetjoint.com
Contact Us

The Cabinet Joint LLC BBB Business Review Made in USA Cabinets Member NKBA

Stay Connected

"*" indicates required fields

This field is for validation purposes and should be left unchanged.

Facebook YouTube Pinterest Instagram houzz

©2026 Cabinet Joint, a division of Harbor View Custom Cabinets. All rights reserved.  |  Privacy Policy  |  Terms & Conditions